Featured
A Simple 2nd Order Low-Pass Filter
Characterization of Crystal Resonators
Loop Antenna Design
BJT PN Junction Noise Source
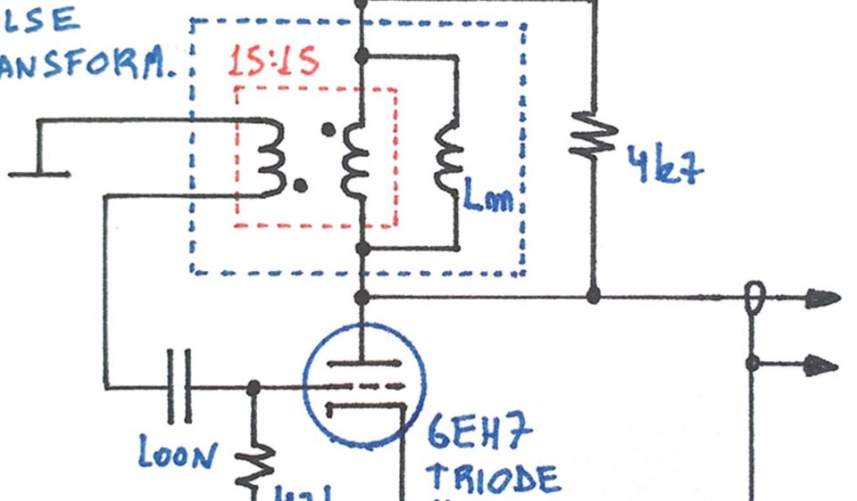
Blocking Oscillator
DSSS BPSK Beacon
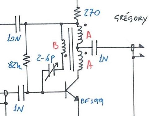
Parametric Frequency Divider
Nonlinear amplifiers: Saleh model
Understanding the Fourier Series - a statistical point of view
Clock Recovery with digital PLL
Power Meter - Calibration
Varactor tuned filter
5GHz Frequency Multiplier
Microwave Power Meter
Power Meter - RF Probe
Capacitor's self-resonance
Transistor Capacitance Neutralization
Regenerative Frequency Divider
Frequency Multiplier with PIN diode
Analog Electronics
-
OpAmp with gain switch
-
Frequency Multiplier using CMOS gates
-
JIG for LCR - Zener and Varicap capacitance measurement
-
Discussion about gyrator oscillator and NIC
-
Capacitor's self-resonance
Antennas
Digital Electronics
-
Clock Recovery with digital PLL
-
Nonlinear amplifiers: Saleh model
-
A Simple 2nd Order Low-Pass Filter
Engineering
Power Meter
-
Power Meter - RF Probe
-
Power Meter - Front-end and Digital Section
-
Microwave Power Meter
-
Power Meter - Calibration
RF Experiments
-
RF switch using BJT transistor
-
Wideband VHF VCO
-
BJT Active Mixer Experiments
-
Overtone Crystal Oscillator
-
Frequency Multiplier with PIN diode